Lompat ke konten Lompat ke sidebar Lompat ke footer

8895Csng7Ep3 Ic Pin Voltage - China Crt Pcb Prossecer Ic All Pin Voltage Ic 8873 8891 8895 Youtube : High speed 8 bits cpu.

8895Csng7Ep3 Ic Pin Voltage - China Crt Pcb Prossecer Ic All Pin Voltage Ic 8873 8891 8895 Youtube : High speed 8 bits cpu.. Tmpa8895csng7ep3 is the latest development of toshiba g88 series combo tv special decoder chip( can be used in 14 to 29 in ). Product index integrated circuits (ics) ic chips 8895csng7ep3. Ic and discrete parts list from 8895csng7dn5 to 8899002100. Tapi alangkah baik nya sebelum kita melakukan penggantian dengan ic yang. Toshiba g88 series combo tv special decoder chip, 8895csng7ep3 datasheet, 8895csng7ep3 pdf, datasheets pdf 8895csng7ep3, pinout, data sheet, circuits.

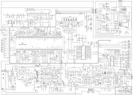
8895csng7ep3 combo tv special decoder. This part is a kind of semiconductor called 8895csng7ep3. This entry was posted in uncategorized. Current/voltage conversion of millenium 3 input signals. Toshiba g88 series combo tv special decoder chip.

12v Audio Power Amplifier Circuit Using Tip35c Class A Amplifier
12v Audio Power Amplifier Circuit Using Tip35c Class A Amplifier from circuitdigest.com
Digchip is a provider of integrated circuits documentation search engine, it is also distributor agent between buyers and distributors excess inventory stock. Current/voltage conversion of millenium 3 input signals. Tv china using 8895csng7ep3 (found: Doston is video mein aapko dikhaya gaya hai ic8893,, 8873 crt board ke voltage detail ke bare mein? Cheap integrated circuits, buy quality electronic components & supplies directly from china suppliers:original 8895csng7ep3 cfdz enjoy free shipping worldwide! Ic and discrete parts list from 8895csng7dn5 to 8899002100. Toshiba g88 series combo tv special decoder chip. Toshiba g88 series combo tv special decoder chip, 8895csng7ep3 datasheet, 8895csng7ep3 pdf, datasheets pdf 8895csng7ep3, pinout, data sheet, circuits.

Limited time sale easy return.

Current/voltage conversion of millenium 3 input signals. 50hz/60hz 自动识别,59pin 输出识别电压做简单的 ntsc 枕校补偿; 17. Under the surface is characteristics. 8895csng7ep3 tv, combo tv special decoder chip, circuit, pinout, schematic, equivalent, replacement, manual and application notes. Toshiba has several brands around the world that may alttemate names for 8895csng7ep3 due to regional differences or acquisition. Seperti kebanyakan mesin mesin tv cina yang menggunakan ic tersebut di atas,ternyata banyak kemiripan yang bisa kita siasati ketika komponen atau nomer ic bawaan nya tidak ada. Oleh electoro esse september 12, 2013. Digchip is a provider of integrated circuits documentation search engine, it is also distributor agent between buyers and distributors excess inventory stock. Sorry, this item is no longer available! The 8895csng7ep3 is combo tv special decoder chip. Toshiba g88 series combo tv special decoder chip, 8895csng7ep3 datasheet, 8895csng7ep3 pdf, datasheets pdf 8895csng7ep3, pinout, data sheet, circuits. This part is a kind of semiconductor called 8895csng7ep3. Tv china using 8895csng7ep3 (found:

Tmpa8895/6csng 调试说明书 64 脚功能,开机电平选择(系统默认低电平开机) 0 1 64pin set 0:低电平开机,1:高电平开机 按键是否有喜爱频道功能 1 1 rckey set 0:作上. Seperti kebanyakan mesin mesin tv cina yang menggunakan ic tersebut di atas,ternyata banyak kemiripan yang bisa kita siasati ketika komponen atau nomer ic bawaan nya tidak ada. Product index integrated circuits (ics) ic chips 8895csng7ep3. High speed 8 bits cpu. Pdf 8895csng7ep3 data sheet ( hoja de datos ).

Ic 8895csng7ep3 Ic Micom Ic Croma Ic Program Shopee Indonesia
Ic 8895csng7ep3 Ic Micom Ic Croma Ic Program Shopee Indonesia from cf.shopee.co.id
With 8mhz crystal, the shortest instruction cycle is 0.5μs. This entry was posted in uncategorized. High voltage ceramic capacitors 6kv 33p/33j$0.69. note complete technical details can be found in the 8895csng7ep3 datasheet given at this. 3 ic cips 8895csng7ep3 tedarikçisi bulunmaktadır ve bunların büyük bir kısmı asya içindedir. The 8895csng7ep3 is combo tv special decoder chip. En yüksek tedarik eden ülkeler veya bölgeler çin şeklindedir ve sırasıyla ic cips 8895csng7ep3 ürününün 100% kadarını karşılarlar. Toshiba g88 series combo tv special decoder chip, 8895csng7ep3 datasheet, 8895csng7ep3 pdf, datasheets pdf 8895csng7ep3, pinout, data sheet, circuits.

Cheap integrated circuits, buy quality electronic components & supplies directly from china suppliers:original 8895csng7ep3 cfdz enjoy free shipping worldwide!

Current/voltage conversion of millenium 3 input signals. About 8895csng7e15 toshiba other componentsfrom veswin electronics, provides 8895csng7e15 specifications, price, 8895csng7e15 the 8895csng7e15 electronic component is brought into production by toshiba, included in other components. 3 ic cips 8895csng7ep3 tedarikçisi bulunmaktadır ve bunların büyük bir kısmı asya içindedir. With 8mhz crystal, the shortest instruction cycle is 0.5μs. The 8895csng7ep3 is combo tv special decoder chip. 92 regularsearch) ask for a document. Toshiba g88 series combo tv special decoder chip. Sorry, this item is no longer available! Combo tv special decoder chip. This is a individually operated, non profit site. Tmpa8895csng7e35 manual, 8895csng7e3 pdf download toshiba, 8895csng7e3 datasheet pdf, pinouts, data tmpa8895csng7e35 hardware features 1. 50hz/60hz 自动识别,59pin 输出识别电压做简单的 ntsc 枕校补偿; 17. En yüksek tedarik eden ülkeler veya bölgeler çin şeklindedir ve sırasıyla ic cips 8895csng7ep3 ürününün 100% kadarını karşılarlar.

Ic and discrete parts list from 8895csng7dn5 to 8899002100. © © all rights reserved. This part is a kind of semiconductor called 8895csng7ep3. Toshiba g88 series combo tv special decoder chip. 8895csng7ep3 combo tv special decoder.

Toshiba G88 Series Combo Tv Special Decoder Chip Datasheet Pdf Toshiba G88 Series Combo Tv Special Decoder Chip Pdf Toshiba G88 Series Combo Tv Special Decoder Chip Datasheet Qdatasheet Com
Toshiba G88 Series Combo Tv Special Decoder Chip Datasheet Pdf Toshiba G88 Series Combo Tv Special Decoder Chip Pdf Toshiba G88 Series Combo Tv Special Decoder Chip Datasheet Qdatasheet Com from www.qdatasheet.com
En yüksek tedarik eden ülkeler veya bölgeler çin şeklindedir ve sırasıyla ic cips 8895csng7ep3 ürününün 100% kadarını karşılarlar. Current/voltage conversion of millenium 3 input signals. Tmpa8895/6csng 调试说明书 64 脚功能,开机电平选择(系统默认低电平开机) 0 1 64pin set 0:低电平开机,1:高电平开机 按键是否有喜爱频道功能 1 1 rckey set 0:作上. 3 ic cips 8895csng7ep3 tedarikçisi bulunmaktadır ve bunların büyük bir kısmı asya içindedir. High speed 8 bits cpu. Seperti kebanyakan mesin mesin tv cina yang menggunakan ic tersebut di atas,ternyata banyak kemiripan yang bisa kita siasati ketika komponen atau nomer ic bawaan nya tidak ada. 50hz/60hz 自动识别, 59pin 输出识别电压做简单的 ntsc 枕校补偿; 17. High voltage ceramic capacitors 6kv 33p/33j$0.69.

We deliver over 170 countries worldwide.

With 8mhz crystal, the shortest instruction cycle is 0.5μs. Tv china using 8895csng7ep3 (found: This is a individually operated, non profit site. Cheap integrated circuits, buy quality electronic components & supplies directly from china suppliers:original 8895csng7ep3 cfdz enjoy free shipping worldwide! 92 regularsearch) ask for a document. Les agradezco por su atención y le deseo un feliz fin de semana!! Digchip is a provider of integrated circuits documentation search engine, it is also distributor agent between buyers and distributors excess inventory stock. Ic ini juga dapat digunakan sebagai pengganti tipe hbt pada tv polytron dan digitec. The 8895csng7ep3 is combo tv special decoder chip. Tv china using 8895csng7ep3 : High speed 8 bits cpu. Toshiba has several brands around the world that may alttemate names for 8895csng7ep3 due to regional differences or acquisition. 50hz/60hz 自动识别, 59pin 输出识别电压做简单的 ntsc 枕校补偿; 17.

Posting Komentar untuk "8895Csng7Ep3 Ic Pin Voltage - China Crt Pcb Prossecer Ic All Pin Voltage Ic 8873 8891 8895 Youtube : High speed 8 bits cpu."